Boot Level Switch

    Categories Level, Boot Level Switch

    Reinforced membrane level indicator. Is to be used to control normally the minimum level of bulk solids in silos or vessels and with high density bulk goods or with a hight abrasion to the membrane due to the product.

    These controllers consist of a switch actuated by a membrane and it is recommended for dusty and powdery, granulated and grainy bulk goods like dust, flour, grain, sand, plastic, etc. with an easy flow and a bulk density from 0.3 to 2.5 t/m3.

    Brand : Filsa

    • Description
    • Attachment

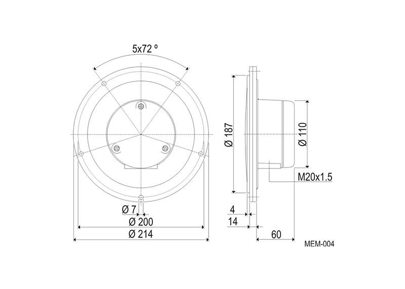
    Technical Data

    Name Membrane level indicator
    Type AD – ref: 2212…
    Density of the product 0,3 t/m3 – 2,5 t/m3
    Ambient pressure Atmospherical
    Maximum pressure +0,5 bar
    Cable entry M20x1,5
    Maximum voltage 250 V AC
    Contact function 1 NO + 1 NC
    Capacity of the contact 15 A / 250 V AC (for resistive loads)
    For inductive or capacitive loads reduce at 50%
    Product temperature -20° C – +200° C
    Ambient temperature -20° C – +80° C
    Protection IP65, according to DIN EN60529
    Weight 1,85 Kg
    Sensitivity 200 – 500 g adjustable
    (Depending of the model.
    Consult your application to our Technical Department)
    Materials:
    Housing Aluminium, RAL 7001 coated
    Membrane NBR
    Mounting ring and screws Aluminium ring, RAL 7001 coated
    and screw Zincated Steel
    (Under request Stainless Steel 1.4301)

    Dimensions

    Attachement

    Download